广州市人民政府
征收土地公告
穗府征〔2017〕30号
经省人民政府批准(粤国土资(建)字[2014]453号文),需将花都区狮岭镇合成村属下的集体用地0.9026公顷(合13.5390亩)征收为国有土地。现将经依法批准的《征收土地方案》和市人民政府批准的《征地补偿安置方案》内容和有关事项公告如下:
一、建设用地项目名称:狮岭消防站。
二、征收土地位置:花都区狮岭镇合成村(四至范围详见附图)。
三、被征地村及面积:
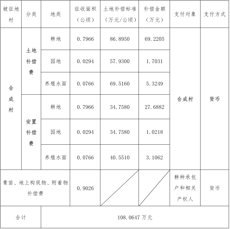
花都区狮岭镇合成村的集体土地0.9026公顷(合13.5390亩),其中耕地0.7966公顷(合11.9490亩),园地0.0294公顷(合0.4410亩),养殖水面0.0766公顷(合1.1490亩)。
四、征地补偿安置方案:
(一)征地补偿

(二)本次征收土地所涉及的被安置农业人员由各被征地村以货币补偿的形式安置。请各被征地村在本公告期内到花都区国土房管分局领取办理安置农业人口征地农转非手续的函件。
五、被征收土地四至范围内的土地所有权人、使用权人在本公告规定的期限内,持土地权属证书或其他有关证明材料,到指定的地点办理征地补偿登记,请互相转告。

《征收土地预公告》发布后被征地单位和个人抢栽抢种的农作物或抢建的建筑物,不列入补偿范围。
被征收土地所有权人及相关权利人可以自公告期限届满之日起60日内就“粤国土资(建)字[2014]453号文”征地批复向省人民政府申请行政复议。
六、关于征地补偿安置的其他有关事项
根据《中华人民共和国土地管理法实施条例》第二十五条的规定,当事人对本征地补偿安置标准有争议,不影响本方案的组织实施。
特此公告
2017年3月17日